





ক্রস পাইপ একটি পাইপ ফিটিং যা চারটি পাইপের ছেদে ব্যবহৃত হয়। এটিতে একটি ইনলেট এবং তিনটি আউটলেট থাকতে পারে, বা এটিতে একটি খাঁড়ি এবং একটি আউটলেট থাকতে পারে। আউটলেট এবং খাঁড়ি ব্যাস একই বা আলাদা হতে পারে।
যখন শাখার পাইপের আকারটি মূল পাইপের আকারের চেয়ে ছোট হয়, আমরা সাধারণত এটিকে হ্রাসকারী ক্রস বলি। এটি পাইপিং সিস্টেমের মাধ্যমে প্রয়োজনীয় প্রবাহ এবং চাপ অর্জন করে। এই হ্রাস ক্রস পাইপ ফিটিং প্রায়শই দ্রাবক-ঝালাইযুক্ত সকেট বা মহিলা-থ্রেডযুক্ত প্রান্ত থাকে।
স্টেইনলেস স্টিল-হ্রাসকারী ক্রসগুলি নদীর গভীরতানির্ণয় সিস্টেমে ব্যাপকভাবে ব্যবহৃত হয়। এগুলি এমন ফিটিং যা বিভিন্ন পাইপকে একসাথে সংযুক্ত করে এবং পথের রূপান্তর করতে দেয়। এই হ্রাস ক্রসগুলি তরলগুলি নিরাপদ পদ্ধতিতে চলতে সহায়তা করে।
সাধারণ শিল্প অ্যাপ্লিকেশনগুলিতে ক্রস-ফিটিংগুলি হ্রাস করা কম সাধারণ। কেবলমাত্র কয়েকটি পরিস্থিতি রয়েছে যেখানে ক্রস ফিটিংগুলি হ্রাস করা ব্যবহার করা হয় যেমন জরুরী ব্যবস্থা বা বাগান, গার্হস্থ্য অ্যাপ্লিকেশন ইত্যাদি ফায়ার স্প্রিংকলারগুলি etc.
ভূমিকা
| ক্রস হ্রাস | |
| আইটেম | স্টেইনলেস স্টিল হ্রাস ক্রস |
| স্ট্যান্ডার্ড | এএসএমই: এএনএসআই বি 16.9, এএনএসআই বি 16.28, এমএসএস-এসপি -43 জিবি: জিবি/টি 12459, জিবি/টি 13401, এইচজি/টি 21635, এইচজি/টি 21631 |
| উপাদান | স্টেইনলেস স্টিল OCR18NI9 গ্রেড, 0CR18NI9TI, 1CR18NI9TI; 304, 304L, 316, 316L, 317, 317L, 321, 321H ডুয়াল-ফেজ স্টেইনলেস স্টিল এএসটিএম এ 815-এস 31803 、 এস 32750 、 এস 32760 সুপার স্টিল এএসটিএম 904L 、 B366-N08904 、 A403-WP317、317L |
| পৃষ্ঠ | গরম গ্যালভানাইজড |
| প্রকার | বাল্জ গঠন |
| আকার | ½ "-48" |
| বিতরণ সময় | প্রিপেইড পাওয়ার পরে 5-30 দিনের মধ্যে |
| প্যাকিং | সাধারণত প্রতিটি পণ্যের সাথে প্লাইউড কেসগুলির সাথে প্যাকিং ভাল ছায়াছবি দিয়ে প্যাক করে। |
| আবেদন | বিদ্যুৎ উত্পাদন, পেট্রোকেমিক্যাল, শিপ বিল্ডিং, কাগজ উত্পাদন, রাসায়নিক, ফার্মাসিউটিক্যাল এবং বানোয়াট। |
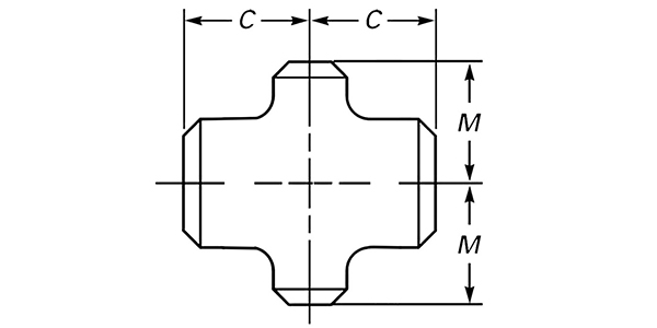
| নামমাত্র পাইপের আকার | ও.ডি. বেভেল এ | সেন্টার-টু-এন্ড | |||
| এনপিএস | রান | আউটলেট | রান গ | আউটলেট মি | |
| ½ | ¼ | 0.84 | 0.54 | 1.00 | 1.00 |
| ½ | 3/8 | 0.84 | 0.68 | 1.00 | 1.00 |
| ¾ | 3/8 | 1.05 | 0.68 | 1.12 | 1.12 |
| ¾ | ½ | 1.05 | 0.84 | 1.12 | 1.12 |
| 1 | ½ | 1.32 | 0.84 | 1.50 | 1.50 |
| 1 | ¾ | 1.32 | 1.05 | 1.50 | 1.50 |
| 1¼ | ½ | 1.66 | 0.84 | 1.88 | 1.88 |
| 1¼ | ¾ | 1.66 | 1.05 | 1.88 | 1.88 |
| 1¼ | 1 | 1.66 | 1.32 | 1.88 | 1.88 |
| 1½ | ½ | 1.90 | 0.84 | 2.25 | 2.25 |
| 1½ | ¾ | 1.90 | 1.05 | 2.25 | 2.25 |
| 1½ | 1 | 1.90 | 1.66 | 2.25 | 2.25 |
| 1½ | 1¼ | 1.90 | 1.66 | 2.25 | 2.25 |
| 2 | ¾ | 2.38 | 1.05 | 2.50 | 1.75 |
| 2 | 1 | 2.38 | 1.32 | 2.50 | 2.00 |
| 2 | 1¼ | 2.38 | 1.66 | 2.50 | 2.25 |
| 2 | 1½ | 2.38 | 1.90 | 2.50 | 2.38 |
| 2½ | 1 | 2.88 | 1.32 | 3.00 | 2.25 |
| 2½ | 1¼ | 2.88 | 1.66 | 3.00 | 2.50 |
| 2½ | 1½ | 2.88 | 1.90 | 3.00 | 2.62 |
| 2½ | 2 | 2.88 | 2.38 | 3.00 | 2.75 |
| 3 | 1¼ | 3.50 | 1.66 | 3.38 | 2.75 |
| 3 | 1½ | 3.50 | 1.90 | 3.38 | 2.88 |
| 3 | 2 | 3.50 | 2.38 | 3.38 | 3.00 |
| 3 | 2½ | 3.50 | 2.88 | 3.38 | 3.25 |
| 3½ | 1½ | 4.00 | 1.90 | 3.75 | 3.12 |
| 3½ | 2 | 4.00 | 2.38 | 3.75 | 3.25 |
| 3½ | 2½ | 4.00 | 2.88 | 3.75 | 3.50 |
| 3½ | 3 | 4.00 | 3.50 | 3.75 | 3.62 |
| 4 | 1½ | 4.50 | 1.90 | 4.12 | 3.38 |
| 4 | 2 | 4.50 | 2.38 | 4.12 | 3.50 |
| 4 | 2½ | 4.50 | 2.88 | 4.12 | 3.75 |
| 4 | 3 | 4.50 | 3.50 | 4.12 | 3.88 |
| 4 | 3½ | 4.50 | 4.00 | 4.12 | 4.00 |
| 5 | 2 | 5.56 | 2.38 | 4.88 | 4.12 |
| 5 | 2½ | 5.56 | 2.88 | 4.88 | 4.25 |
| 5 | 3 | 5.56 | 3.50 | 4.88 | 4.38 |
| 5 | 3½ | 5.56 | 4.00 | 4.88 | 4.50 |
| 5 | 4 | 5.56 | 4.50 | 4.88 | 4.62 |
| 6 | 2½ | 6.62 | 2.88 | 5.62 | 4.75 |
| 6 | 3 | 6.62 | 3.50 | 5.62 | 4.88 |
| 6 | 3½ | 6.62 | 4.00 | 5.62 | 5.00 |
| 6 | 4 | 6.62 | 4.50 | 5.62 | 5.12 |
| 6 | 5 | 6.62 | 5.56 | 5.62 | 5.38 |
| 8 | 3½ | 8.62 | 4.00 | 7.00 | 6.00 |
| 8 | 4 | 8.62 | 4.50 | 7.00 | 6.12 |
| 8 | 5 | 8.62 | 5.56 | 7.00 | 6.38 |
| 8 | 6 | 8.62 | 6.62 | 7.00 | 6.62 |
| 10 | 4 | 10.75 | 4.50 | 8.50 | 7.25 |
| 10 | 5 | 10.75 | 5.56 | 8.50 | 7.50 |
| 10 | 6 | 10.75 | 6.62 | 8.50 | 7.62 |
| 10 | 8 | 10.75 | 8.62 | 8.50 | 8.00 |
| 12 | 5 | 12.75 | 5.56 | 10.00 | 8.50 |
| 12 | 6 | 12.75 | 6.62 | 10.00 | 8.62 |
| 12 | 8 | 12.75 | 8.62 | 10.00 | 9.00 |
| 12 | 10 | 12.75 | 10.75 | 10.00 | 9.50 |
| 14 | 6 | 14.00 | 6.62 | 11.00 | 9.38 |
| 14 | 8 | 14.00 | 8.62 | 11.00 | 9.75 |
| 14 | 10 | 14.00 | 10.75 | 11.00 | 10.12 |
| 14 | 12 | 14.00 | 12.75 | 11.00 | 10.62 |
| 16 | 6 | 16.00 | 6.62 | 12.00 | 10.38 |
| 16 | 8 | 16.00 | 8.62 | 12.00 | 10.75 |
| 16 | 10 | 16.00 | 10.75 | 12.00 | 11.12 |
| 16 | 12 | 16.00 | 12.75 | 12.00 | 11.62 |
| 16 | 14 | 16.00 | 14.00 | 12.00 | 12.00 |
| 18 | 8 | 18.00 | 8.62 | 13.50 | 11.75 |
| 18 | 10 | 18.00 | 10.75 | 13.50 | 12.12 |
| 18 | 12 | 18.00 | 12.75 | 13.50 | 12.62 |
| 18 | 14 | 18.00 | 14.00 | 13.50 | 13.00 |
| 18 | 16 | 18.00 | 16.00 | 13.50 | 13.00 |
| 20 | 8 | 20.00 | 8.62 | 15.00 | 12.75 |
| 20 | 10 | 20.00 | 10.75 | 15.00 | 13.12 |
| 20 | 12 | 20.00 | 12.75 | 15.00 | 13.62 |
| 20 | 14 | 20.00 | 14.00 | 15.00 | 14.00 |
| 20 | 16 | 20.00 | 16.00 | 15.00 | 14.00 |
| 20 | 18 | 20.00 | 18.00 | 15.00 | 14.50 |
| 22 | 10 | 22.00 | 10.75 | 16.50 | 14.12 |
| 22 | 12 | 22.00 | 12.75 | 16.50 | 14.62 |
| 22 | 14 | 22.00 | 14.00 | 16.50 | 15.00 |
| 22 | 16 | 22.00 | 16.00 | 16.50 | 15.00 |
| 22 | 18 | 22.00 | 18.00 | 16.50 | 15.50 |
| 22 | 20 | 22.00 | 20.00 | 16.50 | 16.00 |
| 24 | 10 | 24.00 | 10.75 | 17.00 | 15.12 |
| 24 | 12 | 24.00 | 12.75 | 17.00 | 15.62 |
| 24 | 14 | 24.00 | 14.00 | 17.00 | 16.00 |
| 24 | 16 | 24.00 | 16.00 | 17.00 | 16.00 |
| 24 | 18 | 24.00 | 18.00 | 17.00 | 16.50 |
| 24 | 20 | 24.00 | 20.00 | 17.00 | 17.00 |
| 24 | 22 | 24.00 | 22.00 | 17.00 | 17.00 |
| 26 | 12 | 26.00 | 12.75 | 19.50 | 16.62 |
| 26 | 14 | 26.00 | 14.00 | 19.50 | 17.00 |
| 26 | 16 | 26.00 | 16.00 | 19.50 | 17.00 |
| 26 | 18 | 26.00 | 18.00 | 19.50 | 17.50 |
| 26 | 20 | 26.00 | 20.00 | 19.50 | 18.00 |
| 26 | 22 | 26.00 | 22.00 | 19.50 | 18.50 |
| 26 | 24 | 26.00 | 24.00 | 19.50 | 19.00 |
| 28 | 12 | 28.00 | 12.75 | 20.50 | 17.62 |
| 28 | 14 | 28.00 | 14.00 | 20.50 | 18.00 |
| 28 | 16 | 28.00 | 16.00 | 20.50 | 18.00 |
| 28 | 18 | 28.00 | 18.00 | 20.50 | 18.50 |
| 28 | 20 | 28.00 | 20.00 | 20.50 | 19.00 |
| 28 | 22 | 28.00 | 22.00 | 20.50 | 19.50 |
| 28 | 24 | 28.00 | 24.00 | 20.50 | 20.00 |
| 28 | 26 | 28.00 | 26.00 | 20.50 | 20.50 |
| 30 | 10 | 30.00 | 10.75 | 22.00 | 18.12 |
| 30 | 12 | 30.00 | 12.75 | 22.00 | 18.62 |
| 30 | 14 | 30.00 | 14.00 | 22.00 | 19.00 |
| 30 | 16 | 30.00 | 16.00 | 22.00 | 19.00 |
| 30 | 18 | 30.00 | 18.00 | 22.00 | 19.50 |
| 30 | 20 | 30.00 | 20.00 | 22.00 | 20.00 |
| 30 | 22 | 30.00 | 22.00 | 22.00 | 20.50 |
| 30 | 24 | 30.00 | 24.00 | 22.00 | 21.00 |
| 30 | 26 | 30.00 | 26.00 | 22.00 | 21.50 |
| 30 | 28 | 30.00 | 28.00 | 22.00 | 21.50 |
| 32 | 14 | 32.00 | 14.00 | 23.50 | 20.00 |
| 32 | 16 | 32.00 | 16.00 | 23.50 | 20.00 |
| 32 | 18 | 32.00 | 18.00 | 23.50 | 20.50 |
| 32 | 20 | 32.00 | 20.00 | 23.50 | 21.00 |
| 32 | 22 | 32.00 | 22.00 | 23.50 | 21.50 |
| 32 | 24 | 32.00 | 24.00 | 23.50 | 22.00 |
| 32 | 26 | 32.00 | 26.00 | 23.50 | 22.50 |
| 32 | 28 | 32.00 | 28.00 | 23.50 | 22.50 |
| 32 | 30 | 32.00 | 30.00 | 23.50 | 23.00 |
| 34 | 16 | 34.00 | 16.00 | 25.00 | 21.00 |
| 34 | 18 | 34.00 | 18.00 | 25.00 | 21.50 |
| 34 | 20 | 34.00 | 20.00 | 25.00 | 22.00 |
| 34 | 22 | 34.00 | 22.00 | 25.00 | 22.50 |
| 34 | 24 | 34.00 | 24.00 | 25.00 | 23.00 |
| 34 | 26 | 34.00 | 26.00 | 25.00 | 23.50 |
| 34 | 28 | 34.00 | 28.00 | 25.00 | 23.50 |
| 34 | 30 | 34.00 | 30.00 | 25.00 | 24.00 |
| 34 | 32 | 34.00 | 32.00 | 25.00 | 24.50 |
| 36 | 16 | 36.00 | 16.00 | 26.50 | 22.00 |
| 36 | 18 | 36.00 | 18.00 | 26.50 | 22.50 |
| 36 | 20 | 36.00 | 20.00 | 26.50 | 23.00 |
| 36 | 22 | 36.00 | 22.00 | 26.50 | 23.50 |
| 36 | 24 | 36.00 | 24.00 | 26.50 | 24.00 |
| 36 | 26 | 36.00 | 26.00 | 26.50 | 24.50 |
| 36 | 28 | 36.00 | 28.00 | 26.50 | 24.50 |
| 36 | 30 | 36.00 | 30.00 | 26.50 | 25.00 |
| 36 | 32 | 36.00 | 32.00 | 26.50 | 25.50 |
| 36 | 34 | 36.00 | 34.00 | 26.50 | 26.00 |
| 38 | 18 | 38.00 | 18.00 | 28.00 | 23.50 |
| 38 | 20 | 38.00 | 20.00 | 28.00 | 24.00 |
| 38 | 22 | 38.00 | 22.00 | 28.00 | 24.50 |
| 38 | 24 | 38.00 | 24.00 | 28.00 | 25.00 |
| 38 | 26 | 38.00 | 26.00 | 28.00 | 25.50 |
| 38 | 28 | 38.00 | 28.00 | 28.00 | 25.50 |
| 38 | 30 | 38.00 | 30.00 | 28.00 | 26.50 |
| 38 | 32 | 38.00 | 32.00 | 28.00 | 27.00 |
| 38 | 34 | 38.00 | 34.00 | 28.00 | 27.50 |
| 38 | 36 | 38.00 | 36.00 | 28.00 | 28.00 |
| 40 | 18 | 40.00 | 18.00 | 29.50 | 24.50 |
| 40 | 20 | 40.00 | 20.00 | 29.50 | 25.00 |
| 40 | 22 | 40.00 | 22.00 | 29.50 | 25.50 |
| 40 | 24 | 40.00 | 24.00 | 29.50 | 26.00 |
| 40 | 26 | 40.00 | 26.00 | 29.50 | 26.50 |
| 40 | 28 | 40.00 | 28.00 | 29.50 | 26.50 |
| 40 | 30 | 40.00 | 30.00 | 29.50 | 27.50 |
| 40 | 32 | 40.00 | 32.00 | 29.50 | 28.00 |
| 40 | 34 | 40.00 | 34.00 | 29.50 | 28.50 |
| 40 | 36 | 40.00 | 36.00 | 29.50 | 29.00 |
| 40 | 38 | 40.00 | 38.00 | 29.50 | 29.50 |
| 42 | 16 | 42.00 | 16.00 | 30.00 | 25.00 |
| 42 | 18 | 42.00 | 18.00 | 30.00 | 25.50 |
| 42 | 20 | 42.00 | 20.00 | 30.00 | 26.00 |
| 42 | 22 | 42.00 | 22.00 | 30.00 | 26.00 |
| 42 | 24 | 42.00 | 24.00 | 30.00 | 26.00 |
| 42 | 26 | 42.00 | 26.00 | 30.00 | 27.50 |
| 42 | 28 | 42.00 | 28.00 | 30.00 | 27.50 |
| 42 | 30 | 42.00 | 30.00 | 30.00 | 28.00 |
| 42 | 32 | 42.00 | 32.00 | 30.00 | 28.00 |
| 42 | 34 | 42.00 | 34.00 | 30.00 | 28.00 |
| 42 | 36 | 42.00 | 36.00 | 30.00 | 28.00 |
| 42 | 38 | 42.00 | 38.00 | 30.00 | 28.00 |
| 42 | 40 | 42.00 | 40.00 | 30.00 | 28.00 |
| 44 | 20 | 44.00 | 20.00 | 32.00 | 27.00 |
| 44 | 22 | 44.00 | 22.00 | 32.00 | 27.00 |
| 44 | 24 | 44.00 | 24.00 | 32.00 | 27.50 |
| 44 | 26 | 44.00 | 26.00 | 32.00 | 27.50 |
| 44 | 28 | 44.00 | 28.00 | 32.00 | 27.50 |
| 44 | 30 | 44.00 | 30.00 | 32.00 | 28.00 |
| 44 | 32 | 44.00 | 32.00 | 32.00 | 28.00 |
| 44 | 34 | 44.00 | 34.00 | 32.00 | 28.50 |
| 44 | 36 | 44.00 | 36.00 | 32.00 | 28.50 |
| 44 | 38 | 44.00 | 38.00 | 32.00 | 29.00 |
| 44 | 40 | 44.00 | 40.00 | 32.00 | 29.50 |
| 44 | 42 | 44.00 | 42.00 | 32.00 | 30.00 |
| 46 | 22 | 46.00 | 22.00 | 33.50 | 28.50 |
| 46 | 24 | 46.00 | 24.00 | 33.50 | 28.50 |
| 46 | 26 | 46.00 | 26.00 | 33.50 | 29.00 |
| 46 | 28 | 46.00 | 28.00 | 33.50 | 29.00 |
| 46 | 30 | 46.00 | 30.00 | 33.50 | 29.00 |
| 46 | 32 | 46.00 | 32.00 | 33.50 | 29.50 |
| 46 | 34 | 46.00 | 34.00 | 33.50 | 29.50 |
| 46 | 36 | 46.00 | 36.00 | 33.50 | 30.00 |
| 46 | 38 | 46.00 | 38.00 | 33.50 | 30.00 |
| 46 | 40 | 46.00 | 40.00 | 33.50 | 30.50 |
| 46 | 42 | 46.00 | 42.00 | 33.50 | 31.00 |
| 46 | 44 | 46.00 | 44.00 | 33.50 | 31.50 |
| 48 | 22 | 48.00 | 22.00 | 35.00 | 29.00 |
| 48 | 24 | 48.00 | 24.00 | 35.00 | 29.00 |
| 48 | 26 | 48.00 | 26.00 | 35.00 | 30.00 |
| 48 | 28 | 48.00 | 28.00 | 35.00 | 30.00 |
| 48 | 30 | 48.00 | 30.00 | 35.00 | 30.00 |
| 48 | 32 | 48.00 | 32.00 | 35.00 | 31.00 |
| 48 | 34 | 48.00 | 34.00 | 35.00 | 31.00 |
| 48 | 36 | 48.00 | 36.00 | 35.00 | 31.00 |
| 48 | 38 | 48.00 | 38.00 | 35.00 | 32.00 |
| 48 | 40 | 48.00 | 40.00 | 35.00 | 32.00 |
| 48 | 42 | 48.00 | 42.00 | 35.00 | 32.00 |
| 48 | 44 | 48.00 | 44.00 | 35.00 | 33.00 |
| 48 | 46 | 48.00 | 46.00 | 35.00 | 33.00 |
২০০ 2007 সালে প্রতিষ্ঠিত এবং ২০২২ সালে ঝিজিয়াং প্রদেশের লংউ ইকোনমিক ডেভলপমেন্ট জোনে চলে এসেছেন। এটি ১৩০,০০০ বর্গমিটার, ৩০ টিরও বেশি উত্পাদন লাইন, ৩০০ জন শ্রমিক, ২০ টি আর অ্যান্ড ডি পিপল, ৩০ টি পরিদর্শনের লোক এবং ৫০,০০০ টনের বার্ষিক আউটপুটকে অন্তর্ভুক্ত করে।
এটি আইএসও 9001: ২০০৮ মান পরিচালনা ব্যবস্থা, পিইডি 97/3/ইসি ইইউ প্রেসার সরঞ্জাম নির্দেশিকা শংসাপত্র, চীন বিশেষ সরঞ্জাম উত্পাদন লাইসেন্স (প্রেসার টিউব) টিএস শংসাপত্র, এএসএমই শংসাপত্র, প্রাদেশিক এন্টারপ্রাইজ স্ট্যান্ডার্ডাইজেশন ম্যানেজমেন্ট সিস্টেম, আইএসও 14000: 2004 পরিবেশ ব্যবস্থাপনা সিস্টেম, ক্লিনার প্রোডাকশন (গ্রিন এন্টারপ্রাইজ), পাশাপাশি শংসাপত্রের একটি সিরিজ, ক্লিনার শংসাপত্র, পাশাপাশি শংসাপত্রের একটি সিরিজ, পাশাপাশি শংসাপত্রের শংসাপত্র, সিইওএইও পাস করেছে, শিপিং (এলআর), ডয়চে ভেরিটাস (জিএল), ব্যুরো ভেরিটাস সোসাইটি (বিভি), ডিট নর্স্ক ভেরিটাস (ডিএনভি), এবং কোরিয়ান রেজিস্টার অফ শিপিং (কেআর) কারখানার শংসাপত্র।
প্রধান পণ্যগুলির মধ্যে রয়েছে স্টেইনলেস স্টিল পাইপ, পাইপ ফিটিং, ফ্ল্যাঞ্জস, ভালভ ইত্যাদি, যা পেট্রোলিয়াম, রাসায়নিক শিল্প, পারমাণবিক শিল্প, গন্ধযুক্ত, শিপ বিল্ডিং, ফার্মাসিউটিক্যালস, খাদ্য, জল সংরক্ষণ, বৈদ্যুতিক শক্তি, নতুন শক্তি, যান্ত্রিক সরঞ্জাম এবং অন্যান্য ক্ষেত্রগুলিতে ব্যাপকভাবে ব্যবহৃত হয়। সংস্থাটি "বেঁচে থাকার জন্য গুণমান, বিকাশের জন্য খ্যাতি" এর কর্পোরেট টেনেটকে মেনে চলে এবং প্রতিটি গ্রাহককে জয়-বিজয়ের পরিস্থিতি তৈরি করতে আন্তরিকভাবে পরিবেশন করে।





হালকা ইস্পাত ভর ঘনত্ব: মৌলিক এবং ব্যবহারিক গুরুত্ব হালকা ইস্পাতের ভর ঘনত্ব একটি মৌলিক সম্পত্তি যা সরাসরি প্রভাবিত করে কিভাবে প্রকৌশলী এবং ডিজাইনাররা উপাদানের আকার, ওজন অনুমান এবং কাঠামোগত কর্মক্...
আরও দেখুননিম্ন খাদ ইস্পাত উপাদান পরিচিতি নিম্ন খাদ ইস্পাত উপাদান হল এক ধরনের ইস্পাত যাতে কার্বন ছাড়াও অল্প শতাংশে সংমিশ্রণকারী উপাদান থাকে, সাধারণত 8% এর কম। এই উপাদানগুলি, যেমন ক্রোমিয়াম, নিকেল, মলিবড...
আরও দেখুনসংক্ষিপ্ত বিবরণ — স্টেইনলেস স্টিলের জন্য "প্রতি ঘন ইঞ্চি ওজন" এর অর্থ কী "প্রতি ঘন ইঞ্চি ওজন" হল এক কিউবিক ইঞ্চি উপাদানের ভর (পাউন্ডে)। স্টেইনলেস স্টিলের জন্য এটি খাদ রচনা এবং তাপমাত্রার উপর নির...
আরও দেখুনআমরা আপনার ইমেল ঠিকানা এবং আপনি কখনই ভাগ করব না
যে কোনও সময় বেছে নিতে পারে, আমরা প্রতিশ্রুতি দিয়েছি।